
Process Optimization & System Design
Generated 2.5 Million LKR in savings via extraction systems and achieved 48 kg/hr hot water recovery, while significantly improving factory environmental health and machine durability.
Project_Scope
Managed a portfolio of 6 primary engineering and process optimization projects at the Horana Manufacturing Facility Soap Plant (Personal Products Division). The work focused on enhancing plant utility efficiency, hazardous fume extraction, and energy recovery systems under WCM standards.
Core_Responsibilities
Process Engineering & System Design
Designed a central fume extraction system for 6 toilet soap lines, involving complex mechanical calculations for pipe sizing and vacuum capacity.
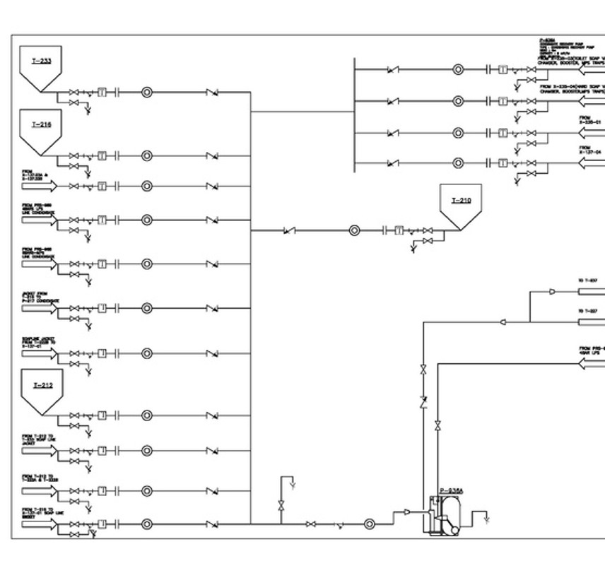
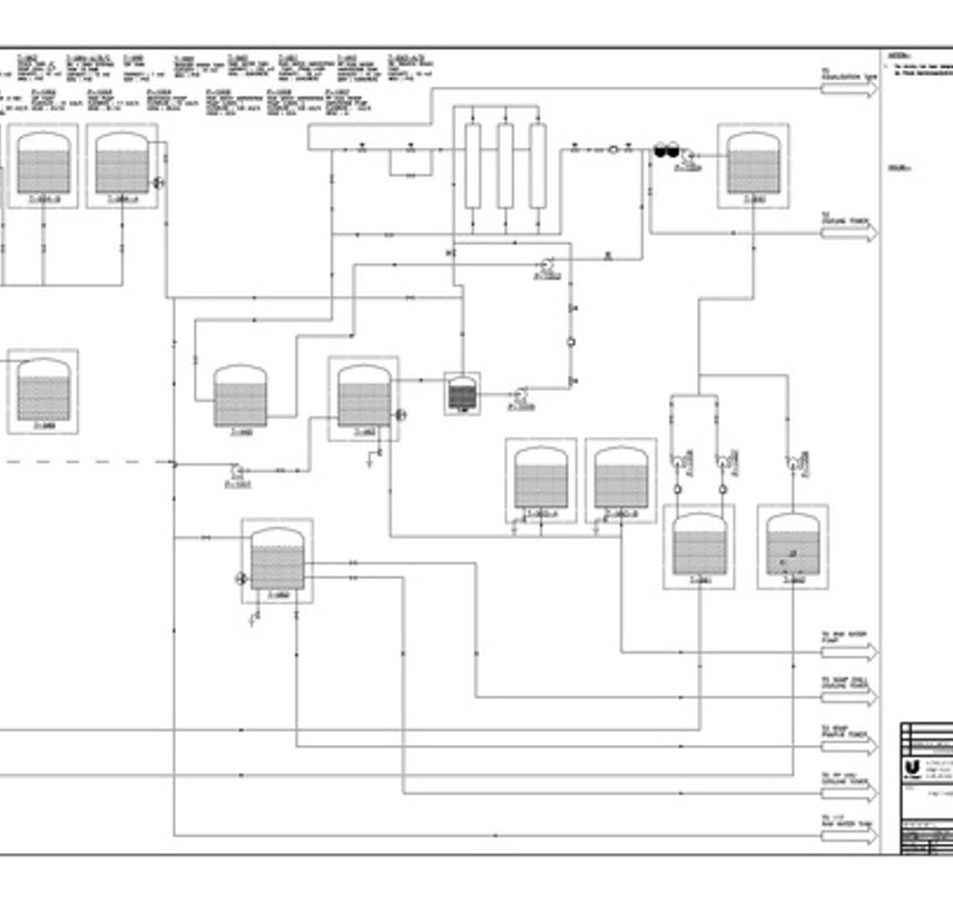
Architected a condensate recovery system to recapture wasted flash steam, including pump pit design and layout.
Developed an in-house turbo chiller for the DLO stamper to eliminate production stoppages from chill radiation.
Consolidated individual vacuum pumps into a high-efficiency central unit for wrapper suction cups.



Lean Manufacturing & Optimization
Conducted Gemba walks and PFMEA to identify and resolve DLO stamper bottlenecks via Kaizen events.
Developed the comprehensive Equipment Ledger for the TLO stamper line to achieve WCM Stage 2.
Implemented Statistical Process Control (SPC) to monitor quality and analyzed defect data for continuous improvement.
Authored SOPs in English and Sinhala and trained production personnel.

Plant Utility & P&ID Digitalization
Updated CAD drawings for chill plants, RO plant, boiler systems, and water distribution networks.
Designed entirely new P&I diagrams for the factory's Biogas unit and Rainwater Harvesting system.



Impact Analysis Log
| Metric | Baseline | Optimized |
|---|---|---|
| Financial Impact | Waste Fumes / Cost | 2.5M LKR Saved |
| Resource Recovery | Wasted Flash Steam | 48kg/hr Hot Water |
| Plant Safety | Hazardous Laser Fumes | Centralized Extraction |
| Data Management | Outdated P&IDs | Full Digital Library |
| Line Performance | Minor Stoppages | Turbo Chilled Stability |
| Compliance | WCM Stage 1 | WCM Stage 2 Ready |
Technical_Q&A
SYSTEM_SPEC
Implement centralized hazardous fume extraction
Engineer flash steam condensate recovery architecture
Digitalize plant-wide P&I diagrams for utility systems
Achieve WCM Stage 2 implementation for model lines
Resolve production bottlenecks on DLO/TLO lines
Improve worker health through laser fume mitigation